Logowanie
Twój koszyk:

Liczba produktów: 0
Wartość produktów: 0


Logo Algodue
Przemysłowe analizatory sieci
Zestawienie | UPT210 | UPM3100 |

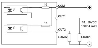
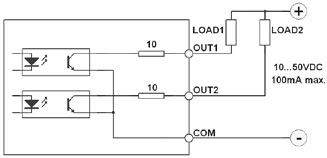
Wielofunkcyjny miernik mocy i energii typ UPT210

(wyświetlacz LCD, mocowanie na szynę 6 DIN)


Powiadomienie o plikach cookie. Witryna korzysta z plików cookie.
Pozostając na tej stronie, wyrażasz zgodę na korzystanie z plików cookie.
Dowiedz się więcej